WELCOME TO THE WORLD OF THE COOL!
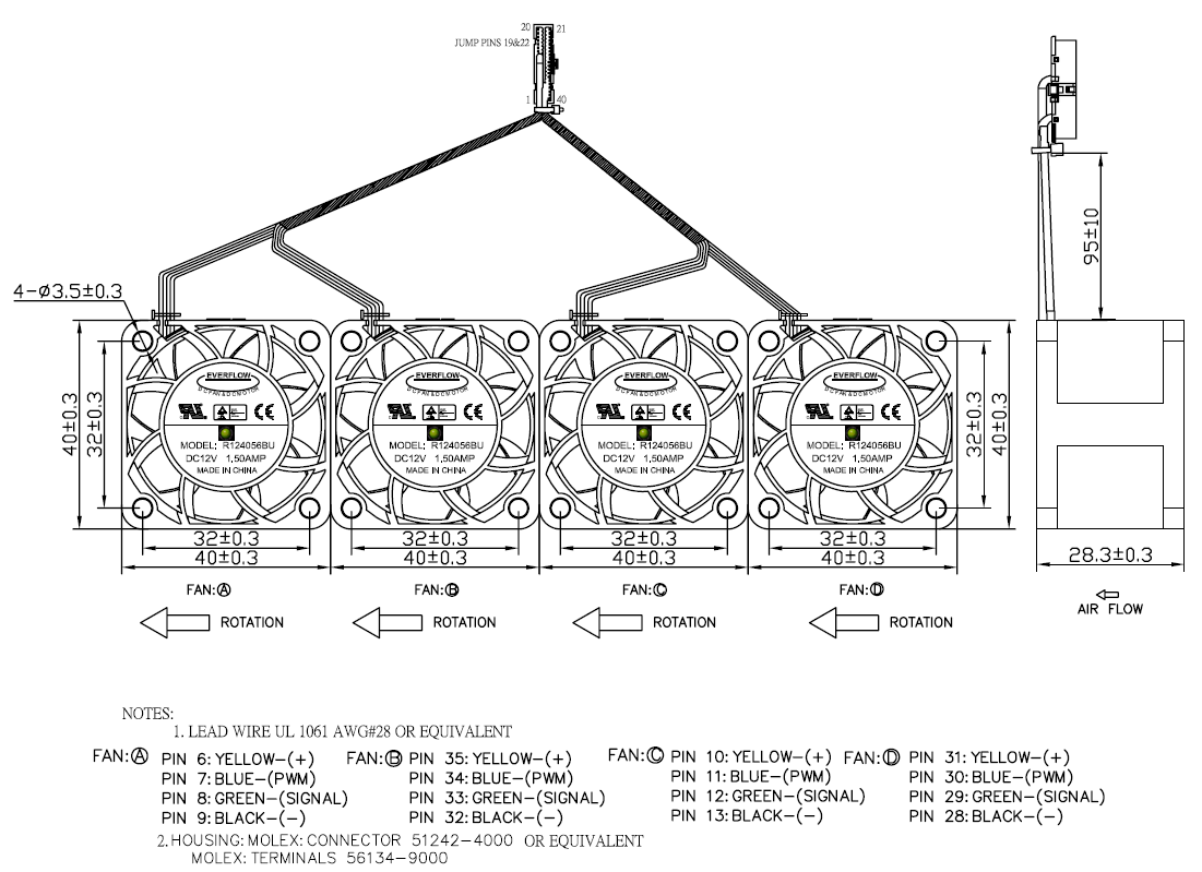
Model # Fan Tray – 4x4028
· Application : 1U chassis
· Dimensions : 173 mm (L) x 37 mm (W) x 40 mm (H)
· Materials : Plastic fans with metal rack
· Weight: 365 g
· Power : max. 4.8W (@0~30% duty cycle) ~ 38.4W (@100% duty cycle)
· Fan Model : 4x R124028BUAF
· Fan Connector : 4pin PWM connector or customized connectors available
· PWM Function: Yes


