WELCOME TO THE WORLD OF THE COOL!
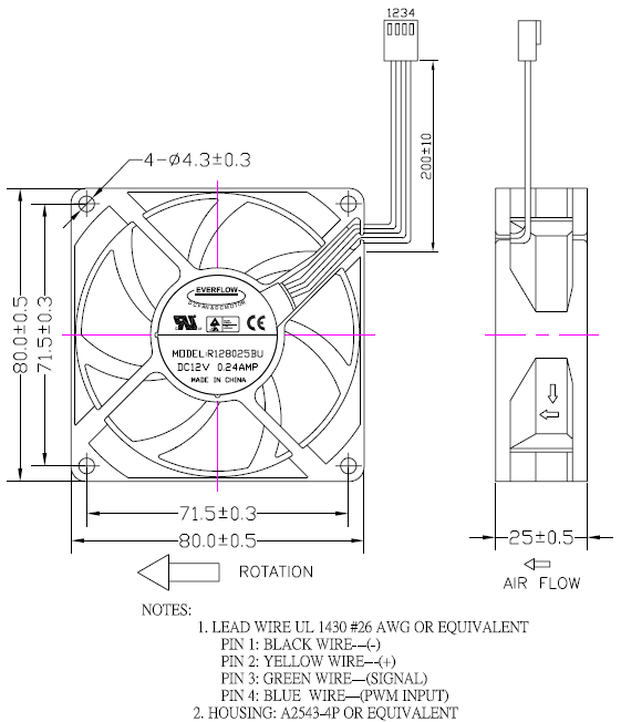
Model # R128025BUAF
· Fan size: 80x80x25mm
· Fan voltage: 12V
· Bearing: Dual Ball bearing
· Fan speed: 600~ 3400 rpm
· Noise Level: 19.5~35.3 dBA
· Air Flow: 7.92~46.18 CFM
· Power : 0.36~ 2.88 W
· Static pressure : 0.13~3.85 mmH2O
· Fan connector: 4-pin
· Lead wire: UL1430 #26AWG or equivalent
· Pin Assignment : Pin 1 Black (GND), Pin 2 Yellow (PWR), Pin 3 Green (SGN), Pin 4 Blue (PWM)
