WELCOME TO THE WORLD OF THE COOL!
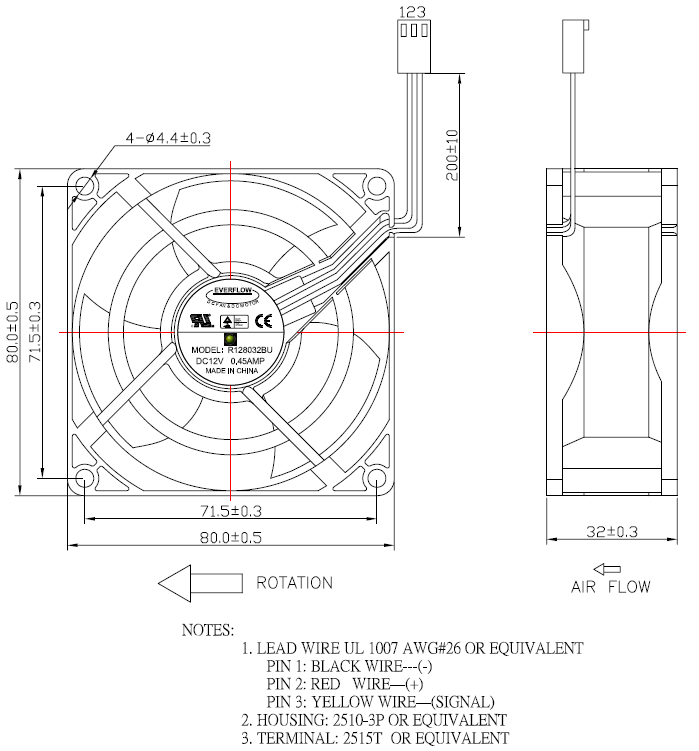
Model # R128032BU
· Fan size: 80x80x32mm
· Fan voltage: 12V
· Bearing: Dual Ball bearing
· Fan speed: 4800 rpm
· Noise Level: 42.9 dBA
· Air Flow: 57.33 CFM
· Power : 5.4 W
· Static pressure : 8.02 mmH2O
· Fan connector: 3-pin
· Lead wire: UL1007 #26AWG or equivalent
· Pin Assignment : Pin 1 Black (GND), Pin 2 Red (PWR), Pin 3 Yellow (SGN)
